CAD吧
一个学习CAD的网站
首页
AutoCAD
Solidworks
练习图库
机械设计
软件下载
程序设计
电脑技巧
资料分享
关于我们
«
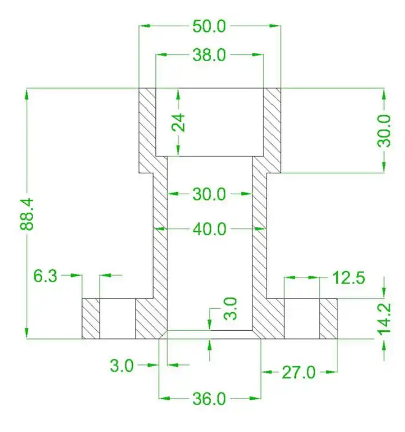
AutoCAD每日一题042
CAD吧
发布于
2025-6-10 01:10
阅读:736
练习图库
AutoCAD每日一题042
输入验证码